Prodotti
HOME > Prodotti
Trasformatore di corrente LMZJ1-0.5
  • Trasformatore di corrente LMZJ1-0.5Trasformatore di corrente LMZJ1-0.5
  • Trasformatore di corrente LMZJ1-0.5Trasformatore di corrente LMZJ1-0.5
  • Trasformatore di corrente LMZJ1-0.5Trasformatore di corrente LMZJ1-0.5

Trasformatore di corrente LMZJ1-0.5

Il trasformatore di corrente LMZJ1-0.5 è un dispositivo a sbarre di tipo passante progettato specificamente per circuiti CA interni, prodotto da Comewill, un produttore professionale in Cina. Questo prodotto è specificamente progettato per sistemi con una tensione nominale di ≤ 0,5 kV e una frequenza di 50 Hz. È il componente principale per la misurazione della corrente, la misurazione dell'energia e la protezione dei relè nei dispositivi di potenza a bassa tensione ed è molto adatto per l'approvvigionamento di grandi quantità in progetti industriali e commerciali.

In qualità di produttore professionale in Cina, Comewill vorrebbe fornirti un trasformatore di corrente LMZJ1-0.5 personalizzato, perfezionato utilizzando la tecnologia di fusione dell'isolamento in resina e adotta una modalità di installazione con piastra di base fissa. Con una migliore stabilità operativa e una durata a lungo termine, consente di risparmiare fin dalla radice sui costi di manutenzione per i partner di approvvigionamento. Fornisce molteplici opzioni di ingranaggi ad alta precisione da 0,2, 0,5, 0,2 e 0,5, coprendo facilmente esigenze applicative differenziate in vari scenari.

Il design strutturale compatto rende l'installazione e l'implementazione più flessibili, mentre il doppio supporto della configurazione di sicurezza di alto livello e la durata di servizio ultra lunga rendono il trasformatore di corrente LMZJ1-0.5 una scelta affidabile nell'approvvigionamento di moderni sistemi a bassa tensione. Vale la pena ricordare che questo trasformatore a bassa tensione ha un'eccellente resistenza alle alte temperature e all'inquinamento e può mantenere un funzionamento stabile anche in ambienti difficili, massimizzando il valore di ogni investimento nell'approvvigionamento.

Struttura del prodotto

Il nucleo del trasformatore di corrente LMZJ1-0.5 è un nucleo circolare di ferro realizzato con fogli di acciaio al silicio orientato laminati a freddo: questo design di avvolgimento di precisione è la chiave per massimizzare l'efficienza magnetica e gettare le basi per un funzionamento affidabile.
L'avvolgimento secondario è avvolto uniformemente attorno a questo nucleo circolare di ferro, una disposizione attentamente progettata che garantisce prestazioni costanti in tutte le condizioni operative ed elimina problemi di uscita irregolare.
La finestra centrale attraversa il centro del prodotto ed è progettata per una perfetta integrazione delle sbarre collettrici, mentre la base robusta nella parte inferiore fornisce un punto di installazione più sicuro e stabile per il prodotto, facilitandone l'installazione.
L'intero componente è realizzato con materiale isolante in resina insatura. Questo involucro robusto non solo aumenta la durata, ma migliora anche la sicurezza e protegge i componenti interni dalla pressione ambientale, rendendo il trasformatore resistente in vari ambienti di lavoro.

Parametro

Parametro elettrico Parametro meccanico
Frequenza 50/60Hz Caso PC/UL94-V0
Ingresso nominale 5A-5000A Bobina PBT
Campo di misura 5%In-120%In Nucleo Acciaio al silicio
Potenza nominale 1A,5A Costruzione Vite
Rapporto di tensione 0,72 KV (CA) Temp. operativa -25℃~+75℃
Rigidità dielettrica 3,0 KV/1 mA/1 min Umidità operativa ≤85%
Resistenza di isolamento CC 500 V/100 MΩ min Connessione di uscita terminale
Modello Primario/Secondario Dimensioni del foro della sbarra collettrice (mm) Carico nominale (VA) Classe di precisione Tensione nominale
LMZJ1-0.5 30 5/5A~300/5A ø=31mm 2,5~5 0,2S0,5S0,5 0,72 KV(CA)
LMZJ1-0.5 35 5/5A~300/5A ø=35mm 2,5~5 0,2S0,5S0,5 0,72 KV(CA)
LMZJ1-0.5 40 200/5A~500/5A ø=42mm 5 0,2S0,5S0,5 0,72 KV(CA)
LMZJ1-0.5 50 400/5A~600/5A ø=56mm 5 0,2S0,5S0,5 0,72 KV(CA)
LMZJ1-0.5 80 750/5A~1200/5A ø=83mm 10~20 0,2S0,5S0,5 0,72 KV(CA)
LMZJ1-0.5 100 800/5A~2000/5A ø=102mm 10~30 0,2S0,5S0,5 0,72 KV(CA)
LMZJ1-0.5 140 2000/5A~4000/5A ø=142mm 15~30 0,2S0,5S0,5 0,72 KV(CA)
LMZJ1-0.5 180 5000/5A~6000/5A ø=182mm 15~30 0,2S0,5S0,5 0,72 KV(CA)

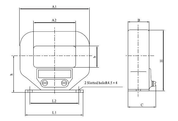
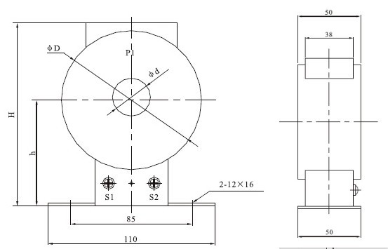
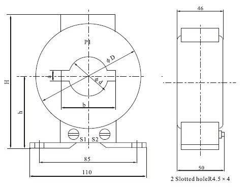
Schema e dimensioni di installazione

Tipo Rapporto attuale H h φD φd
LMZ1-0.5 5-300/5 117 68 90 30
Tipo Rapporto attuale H h φD φd a b
LMZJ1-0.5 5-300/5 118 70 91 32 10 41
400-600/5 128 75 97 43 12 52
Tipo Rapporto attuale A1 A2 B h H L1 L2 C b
LMZJ1-0.5 1000/51200/51500/5 172 104 30 80 140 156 123 41 50
2000/53000/5 216 140 42 102 182 175 150 46 70
4000/55000/5 238 150 55 117 220 230 180 60 94
Tag caldi: Trasformatore di corrente LMZJ1-0.5, Cina, produttore, fornitore, fabbrica, commercio all'ingrosso, personalizzato, in magazzino, prodotto in Cina, prezzo basso, qualità
Invia richiesta
Informazioni di contatto
  • Indirizzo

    No.777 Wanweng Road, sottodistretto di Wengyang, città di Yueqing, città di Wenzhou, provincia di Zhejiang, Cina

X
Utilizziamo i cookie per offrirti una migliore esperienza di navigazione, analizzare il traffico del sito e personalizzare i contenuti. Utilizzando questo sito, accetti il ​​nostro utilizzo dei cookie. politica sulla riservatezza
Rifiutare Accettare