Prodotti
HOME > Prodotti
Trasformatore di corrente LMZW9-0.66
  • Trasformatore di corrente LMZW9-0.66Trasformatore di corrente LMZW9-0.66
  • Trasformatore di corrente LMZW9-0.66Trasformatore di corrente LMZW9-0.66

Trasformatore di corrente LMZW9-0.66

Acquistate il trasformatore di corrente LMZW9-0.66 di alta qualità dal produttore cinese Comewill. Questo trasformatore è progettato specificamente per circuiti CA a 50 Hz con tensione nominale di 0,66 kV e inferiore, soddisfacendo i requisiti critici per il monitoraggio preciso della corrente e la misurazione dell'energia nei settori della distribuzione di energia industriale ed edilizia. Utilizzando un processo di colata di resina insatura, l'unità presenta una struttura robusta con eccellente resistenza all'umidità e stabilità termica, riducendo efficacemente i costi di manutenzione durante l'intero ciclo di vita.
In qualità di produttore professionale di apparecchiature elettriche in Cina, Comewill aderisce rigorosamente allo standard IEC 61869, garantendo prestazioni stabili e affidabili del trasformatore di corrente LMZW9-0.66. Il suo design a montaggio fisso semplifica il cablaggio in loco, consentendo un'integrazione perfetta in vari sistemi di distribuzione dell'alimentazione a bassa tensione, sia per aggiornamenti che per nuovi progetti di costruzione.

Parametro tecnico del trasformatore di corrente LMZW-0.66:

Frequenza nominale 50/60Hz
Tensione nominale 0,6 kV o 0,66 kV
Voltaggio più alto per l'apparecchiatura 0,72 kV
Tensione di tenuta a frequenza industriale 3kV
Lo standard tecnico è conforme a IEC60044-1:2003 o IEEE STD C57.13-2008
Tipo Corrente primaria nominale (A) Potenza nominale VA(cosФ=0,8lag)
0,2S 0.2 0,5S 0.5 1
LMZ-0.66 75-100 10-3.75 10-3.75 10-3.75 10-3.7510-3.75 10-3.75
LMZ-0.66 150-300 10-3.75 10-3.75 10-3.75 10-3.75 10-3.75
LMZ-0.66 400-750 10-3.75 10-3.75 10-3.75 10-3.75 10-3.75
LMZ-0.66 1000-1500 10-3.75 10-3.75 10-3.75 10-3.75 10-3.75


Caratteristiche del prodotto

1. Prestazioni stabili

Il trasformatore di corrente LMZW9-0.66 della fabbrica Comewill è conforme agli standard IEC 61869, IEC60044-1 e IEEE C57.13

Misurazione accurata della corrente su un'ampia gamma di correnti primarie (75–1500 A)

L'uscita nominale di 10–3,75 VA (cosφ=0,8 ritardo) garantisce un segnale coerente per la misurazione e la protezione


2. Design per interni a montaggio fisso

Semplifica il cablaggio e l'integrazione in quadri e pannelli a bassa tensione

Riduce gli errori di installazione e i requisiti di manutenzione

Il design compatto massimizza l'utilizzo dello spazio sul pannello


3. Ampio raggio operativo

Temperatura operativa: da -25 ℃ a +55 ℃

Umidità relativa: ≤90%, senza condensa

Altitudine: ≤1000 metri sopra il livello del mare

Ambienti interni privi di inquinamento, polvere e gas corrosivi


4. Elevata sicurezza e conformità

Tensione di tenuta alla frequenza industriale: 3kV

Tensione nominale: 0,6–0,66 kV, con tensione massima dell'apparecchiatura di 0,72 kV

Progettato per un funzionamento sicuro a lungo termine nelle reti di distribuzione a bassa tensione


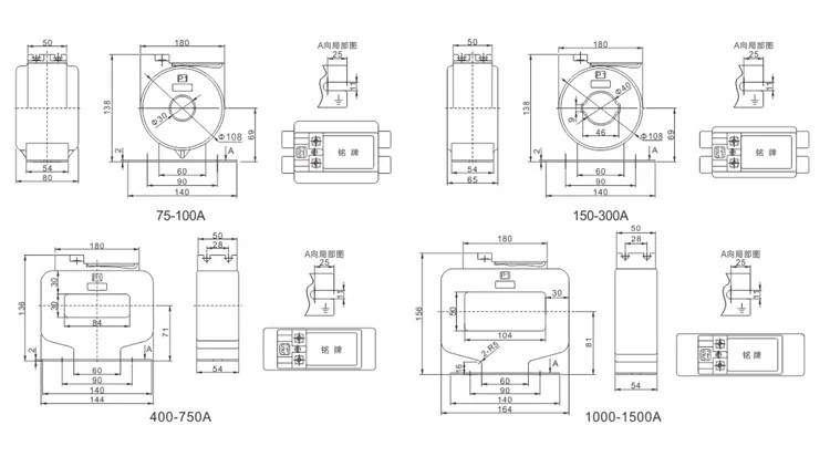
Dimensioni di contorno e installazione

Benvenuto (Wenzhou) Electric Co., Ltd


Domande frequenti


Q1: sei una fabbrica o una società commerciale?

A1: Siamo una fabbrica, che ci permette di offrire direttamente prezzi molto competitivi.


Q2: Qual è il processo di controllo qualità?

A2: Garantiamo che tutti i prodotti siano sottoposti a un'ispezione al 100% prima della spedizione.


Q3: Quando posso aspettarmi di ricevere un preventivo?

A3: Solitamente forniamo un preventivo entro 24 ore dalla ricezione della richiesta.


Q4: Come posso ottenere un campione?

A4: Puoi acquistare un campione, che includerà il costo del campione e le spese di spedizione. Il costo della spedizione espressa dipende dalla quantità e dal peso dei campioni.


Q5: Quali sono i costi di spedizione?

A5: I costi di spedizione variano a seconda del porto di destinazione.


Tag caldi: Trasformatore di corrente LMZW9-0.66, Cina, produttore, fornitore, fabbrica, commercio all'ingrosso, personalizzato, in magazzino, prodotto in Cina, prezzo basso, qualità
Invia richiesta
Informazioni di contatto
  • Indirizzo

    No.777 Wanweng Road, sottodistretto di Wengyang, città di Yueqing, città di Wenzhou, provincia di Zhejiang, Cina

X
Utilizziamo i cookie per offrirti una migliore esperienza di navigazione, analizzare il traffico del sito e personalizzare i contenuti. Utilizzando questo sito, accetti il ​​nostro utilizzo dei cookie. politica sulla riservatezza
Rifiutare Accettare